首頁 > 產品研發 > 定壓補(bǔ)水係列 > 常壓式(shì)真(zhēn)空脫氣定壓補水裝置(zhì) >

常壓式真空(kōng)脫氣定壓補水裝置

常壓式真空脫氣定壓補水裝置

  • 適用範圍:
  • 過濾介質:
產品特點(diǎn)

1、自動定(dìng)壓,自動補水,自動泄(xiè)水,自動脫除係統內遊離氣體,溶解氣體。

2、運行(háng)參數任意(yì)設定,適用於任何密閉定壓補水場所。

3、節約能源,自動讀取(qǔ)係統信息(xī)。

4、脫氣效率和脫氧效率>99%。

5、脫除係統中(zhōng)的氣體,防止(zhǐ)氣阻,保證係統正常運行期間穩定可靠,延長設備使用時間(jiān)。

6、脫氣機(jī)工作時間和周期可根據需要調節。

7、占地麵積小,安裝使(shǐ)用方便,全自動運行,安全可靠,易(yì)於維修保養。

8、可大大(dà)縮短供熱或冷卻係統初(chū)次注水後(hòu)的排(pái)水(shuǐ)時間,極有利於係統的初(chū)次調試運行。

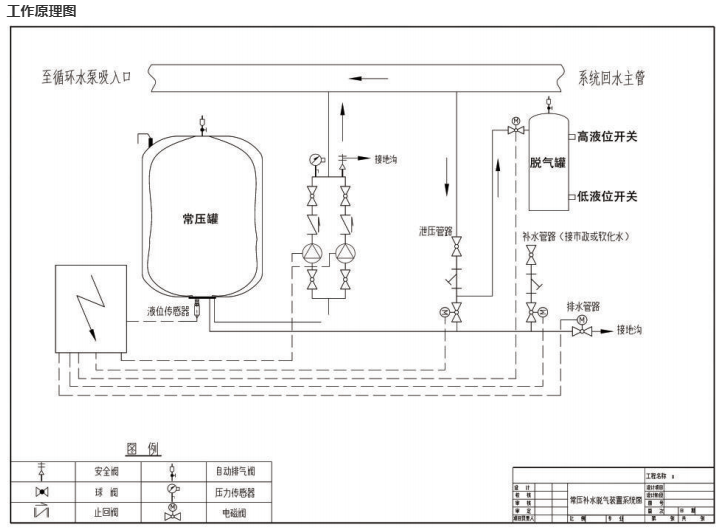
工作原理(lǐ)
技術參(cān)數



產品細節
產品視頻
客戶案例
常壓式(shì)真空脫氣定壓補水裝置

常壓式真空脫氣定壓補水裝(zhuāng)置

立即(jí)谘(zī)詢

產品推薦

麻豆免费视频-国产麻豆视频免费观看-麻豆免费版官方版下载-国产麻豆MD传媒视频